VLSI-Lecture-06
互联线模型
概述

多层布线
早期及传统工艺主要使用铝,而现代先进工艺为了降低电阻率和抗电迁移能力,普遍采用铜互连。导线与导线之间并不是真空,而是填充了绝缘介质,主要成分是二氧化硅()。这一绝缘层不仅起到机械支撑和电气隔离的作用,其介电常数()直接决定了寄生电容的大小。
-
多层布线: 现代集成电路是三维立体的。先进工艺可达10层左右。导线不仅在同一平面内邻接,在垂直方向上也有堆叠。
-
垂直连接: 不同布线层之间的电气连接是通过通孔垂直实现的。

导线模型
寄生电阻参数()
导线自身电阻
对于一段长度为 、宽度为 、厚度为 的矩形导线,其电阻 :
在工艺中,某一层金属或多晶硅的厚度 是由工艺制程固定的,设计者无法改变,只能改变长()和宽()。因此,我们将公式中的常数项提取出来,定义为一个新的参数,即方块电阻,符号为(或 )。
对于正方形,无论边长是多少,,代入公式 ,结果都是 。
引入方块电阻后,导线总电阻的计算就变得非常直观:
其中 。在版图设计中,只需要数一下导线相当于由几个正方形串联而成,即可快速估算电阻。
| 材料类型 | 方块电阻(Ω/□) | 特点与应用说明 |
|---|---|---|
| 金属(Al/Cu) | 0.05 | 电阻极低,适合长距离信号传输和电源布线。 |
| 多晶硅(Poly-Si) | 10 ~ 15 | 电阻较高,仅适合短距离栅极连接,不适合长线布线。 |
| 扩散区(N+) | 20 ~ 30 | 电阻最高,寄生电阻大。 |
接触电阻
-
接触孔(Contact): 通常指金属层与半导体器件(如多晶硅、扩散区)之间的连接。
-
通孔(Via): 通常指不同金属层(如Metal 1到Metal 2)之间的连接。
电流流经这些垂直结构时产生的电阻称为接触电阻。
电流集聚效应:对于较大尺寸的接触孔,电流并不是均匀流过整个接触面积,而是倾向于集中在接触孔的周边或边缘流动。
基于电流集聚效应,工程上的最佳实践:采用多个小尺寸接触孔并联,而不是使用一个大尺寸接触孔。
寄生电感参数()
当电流流过导线时会产生磁场,从而表现出电感特性。模型中电感与电阻串联。
-
其中:
- :单位长度的电容。
- :单位长度的电感。
- :周围介质的介电常数。
- :周围介质的磁导率。
对于均匀传输线,其单位长度的电感和电容并不是独立的,而是受到介质电磁特性的约束。这意味着,一旦介质确定, 和 是成反比关系的。
信号在导线中的传播的速度(主要由介质材料决定,介电常数越大,信号传播越慢):
电感影响适用条件
在大多数传统的芯片内部设计中,导线的寄生电感值很小,通常可以忽略不计,只考虑RC延迟即可。
必须同时满足以下条件时,电感效应变得显著:
-
低电阻: 导线采用低阻抗金属,且截面较大(如果电阻 很大,阻尼效应强,会掩盖电感 的作用)
-
高开关频率: 感生电动势 。只有在频率极高、电流变化率()极快时,电感产生的电压降和噪声才不可忽略。
寄生电感产生的电路效应
-
振荡: 在阶跃响应中,如果 RLC 网络处于欠阻尼状态(电阻 较小),输出信号会在稳定值附近上下波动。
-
过冲: 信号电压瞬间超过电源电压或低于地电压,可能导致器件可靠性问题(如栅氧击穿)或误触发。
-
阻抗失配引起的信号反射: 在高频下,导线表现为传输线。如果负载阻抗与传输线特征阻抗不匹配,信号会在终端发生反射,叠加在原信号上造成波形畸变。
-
线间互感: 邻近导线之间存在磁场耦合。一根导线上的电流变化会在邻近导线上感应出噪声电压,这是一种磁耦合导致的串扰。
寄生电容参数()
- 对地电容/衬底电容: 导线与衬底之间存在电容。
- 平行板电容模型:导线宽度()远大于其距离衬底的高度(,绝缘介质厚度)时,电容主要由底面决定。

对地电容
-
:绝缘介质的介电常数。
-
:导线宽度。
-
:导线长度。
-
:绝缘层厚度。

边缘电容
电场线不仅仅垂直分布在导线底面和衬底之间,还会从导线的侧壁发出,弯曲延伸至衬底(如图所示)。这部分电容被称为边缘电容()。
总电容构成: 。即总电容等于平行板电容与边缘电容之和。
-
大 (宽高比大): 平行板效应占主导,总电容接近平行板电容计算值。
-
小 (宽高比小): 随着工艺微缩,线宽变窄,边缘电场效应变得非常显著,此时边缘电容占主要部分,不可忽略。
-
线间电容: 相邻的导线之间存在电容。当导线间距减小时,同层导线之间的侧壁平行面积相对增加,距离缩短,导致线间耦合电容显著增大。


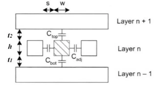
互联线电容模型
电容分量定义(假设周围导线都是固定电位):
-
: 中心导线与上层金属(Layer n+1)之间的电容(主要是平板电容)。
-
: 中心导线与下层金属(Layer n-1)之间的电容(主要是平板电容)。
-
: 中心导线与左右相邻导线之间的侧壁电容。
总对地电容:
集总模型

互联线简化模型
当导线很短,其自身的==寄生电阻()远小于驱动门的输出电阻==,且电感()在高频下产生的阻抗也可以忽略时,导线可以被视为一个等电位体(理想导线)
延时计算:
在这种情况下,整根导线被简化为一个单一的电容元件(集总电容),作为驱动门的负载。这是数字电路中最简单的分析模式。
分布模型

分布RC模型
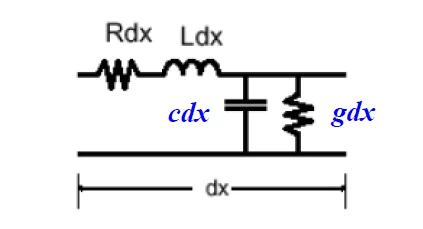
当导线长度较长、信号速度较快时需要考虑寄生电阻,导线不再是一个点,而被切分成了无数个微小的片段(),每一个片段都由一个串联电阻()和一个并联电容()组成。
-
条件1 :
- 是互连线的RC延迟, 是逻辑门的固有延迟。
- 当导线引起的延迟超过了逻辑门自身的延迟时,互连线成为制约电路速度的主要因素。
-
条件2 导线输入信号的 :
- 是信号的上升/下降沿时间。
- 是导线的RC时间常数。
- 信号变化得比导线的响应速度还要快,导线就表现出明显的分布效应,信号还没传到终点,源端可能已经变了。
根据KCL,对于虚线框选的节点:
将微元长度 趋近于 0 时,差分转化为微分: 变成了电压对位置的一阶偏导数 :
这是经典的扩散方程,揭示了在仅考虑 R 和 C 的长导线中,电压像热量一样慢慢“扩散”过去。
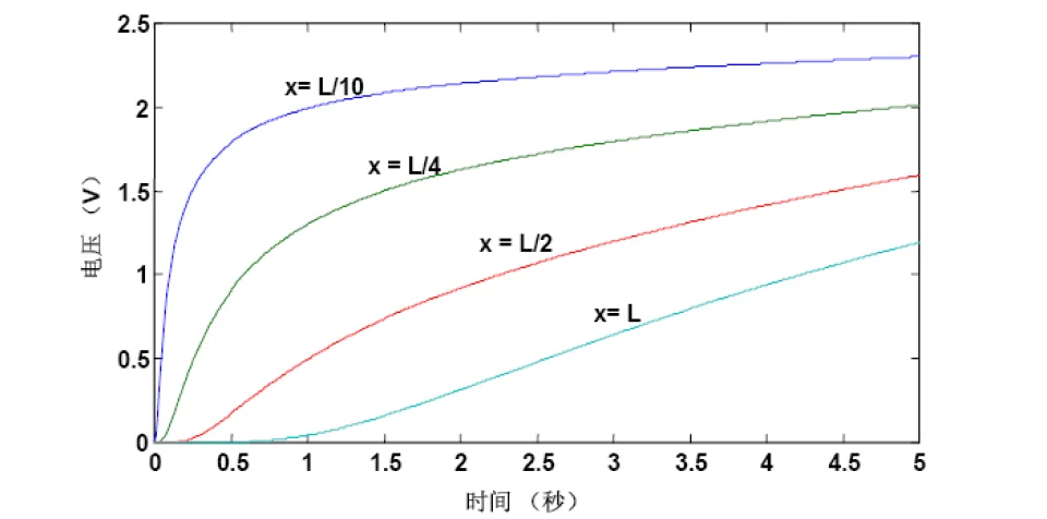
假设在导线输入端()施加一个理想的阶跃电压(0V -> 2.5V)

扩散方程求解可视化
分布RC模型会导致信号不再具有统一的跳变时间。距离源端越远,波形上升时间越长,延迟越大。
RC 链的 Elmore 延时
Elmore延时():对于RC树状或链状网络,总延时等于每一个节点上的电容乘以从输入端到该节点之间的总电阻的累加和。
当分段数 趋向于无穷大()时,离散模型就变成了连续的分布模型:
比简单的集总模型要快一倍。
好的,已经根据图片中的表格内容进行了整理,并按照您的要求用 $包裹了其中的数学符号。
延时分析:集总 v.s. 分布
| 电压范围 | 指标说明 | 集总RC网络 | 分布RC网络 |
|---|---|---|---|
| () | 数字集成电路中最常用的指标 | ||
| () | |||
| () | |||
![]() | |||
| 分布:集总模型最严厉的父亲 |
虽然这在时序分析中是安全的,但可能导致设计过剩。
考虑驱动器内阻的情况

考虑驱动器内阻的情况
对于导线上的每一个微元电容 ,电流流向它不仅要经过导线本身的电阻(),还必须先经过源电阻 。
总的时间常数:
最终得到50%翻转延时:
传输线模型

传输线模型
传输线模型是考虑电感作用的分布模型,在此模型下,信号不再是电势的建立过程,而是以电磁波的形式在介质中传播。
条件: 可与信号波形“飞跃”导线的时间()相比拟。(信号变化极快,快到在信号还没传到导线终点时,源端电压已经发生了显著变化,此时导线上不同位置的电压不再相等,必须考虑波动效应)
波动方程

传输线单元
电压变化率:
电压沿导线空间()的下降,是由电阻上的压降()和电感上的感应电动势()共同引起的。
**电流变化率:
电流沿导线空间()的减少(分流),是由介质电导漏电流()和电容位移电流()共同引起的。
为了求解,通常假设介质绝缘良好,即忽略漏电导,令 ,将上述两个一阶方程联立消元,得到关于电压 的二阶偏微分方程:
无损传输线
-
忽略电阻: (导线是理想导体)。
-
忽略电导: (介质是理想绝缘体)。
电磁波在传输线上的传播速度仅由介质的电磁参数(介电常数 和磁导率 )决定,是一个常数。与导线的几何尺寸无关。
通过单位导线长度的传播延时:
特征阻抗()
利用电流的定义 ,电荷 等于单位长度电容 乘以长度 再乘以电压 ,即
代入后:,因为 就是波的传播速度 ,且已知
整理得到:
根据阻抗定义 ,将上述电流表达式代入,分子分母约分后得到:
与导线长度和频率无关(无损耗近似下),它只取决于单位长度的电感和电容的比值。
-
只与绝缘介质(决定 )以及导线和绝缘体的几何形状(决定 和 的大小)有关。
-
如果导线发生拐弯(改变几何形状)、材料变化或介质厚度变化,都会导致特征阻抗发生变化。
-
在集成电路环境中,导线的特征阻抗典型值范围是: 约 欧姆()
瞬态特性

经典传输线系统
左侧是激励源(阶跃电压源 和源内阻 /),中间是特性阻抗为 的传输线,右侧是负载阻抗 。
在 时刻(信号刚发出),传输线本身表现为一个阻值为 的电阻。因此,根据分压原理,注入传输线的初始入射电压波幅值为:
当波传输到阻抗不连续点(即阻抗发生突变的地方)时,会发生反射。
源端反射系数 (): 发生在波从负载返回源端时。
终端/负载反射系数 (): 发生在波从源端到达负载时。
的取值范围在 -1 到 +1 之间。正值代表同相反射(电压叠加),负值代表反相反射(电压削减),0 代表不反射(完全吸收)。
实际电压 = 原电压 + 入射波 + 反射波。传输线上任一点的电压是所有经过该点的行波电压的代数和。
源阻抗大于传输线阻抗()
这种情况对应于欠驱动或过阻尼系统:由于 是正数,每次反射回来的波都与原电压同极性叠加。电压呈现阶梯状上升,逐步逼近最终的电源电压。像是在一点一点地充电。

过阻尼系统
假设,负载是开路():
-
。正的反射系数(导致变化越来越大)。
-
(开路全反射)。
晶格图分析:

过阻尼系统晶格图
-
初始发射 (): 由于 很大,初始分压 很小,仅为 。
-
第一次到达负载 ():波到达负载,发生全反射 ()。负载端电压 = 入射波 + 反射波 = 。
-
第一次返回源端 ():反射波回到源端,遇到 。再次反射回去的波幅值为 。此时源端电压进一步抬升。
源阻抗小于特性阻抗():虽然最终会稳定在5V,但强烈的过冲可能损坏栅极氧化层,下冲可能导致逻辑误判。

欠阻尼系统
-
。负的反射系数(导致变化越来越小)。
-
(依然开路)
源阻抗匹配()
理想的传输状态,称为源端匹配。
-
。无反射。
-
。
只需经历一次波的往返(即一次波的传播),电路就建立了最终稳态。没有阶梯,也没有振铃,信号完整性最好。
估计传输线效应的准则
判据一:导线总电阻的影响(阻尼状态)
-
RC线(): 系统处于深度过阻尼状态。阶梯效应变得极其细密,看起来就像是RC电路的指数上升曲线。此时,互连线显示为RC线。
-
传输线()
-
无损传输线(): 当源阻极小时,损耗可忽略,完全按照无损传输线(LC网络)处理。
判据二:信号速度与飞行时间
当信号的上升时间 小于或接近信号在导线上的飞行时间 时,传输线效应(反射)将无法被信号的转换沿掩盖,必须考虑传输线模型。
反之,如果信号变化很慢(),在反射波回来之前,源端信号还没变完,反射被掩盖,就可以当作集总参数处理。
已知电路中的反相器的等效驱动电阻为 10 ,本征电容可以忽略,被驱动的导线长度为 1 mm,单位长度导线的寄生电阻 r 和寄生电容 C 分别为 10 和 0.2 ,那么反相器加上导线的总延时等于?

解:此为考虑驱动器内阻的分布模型,公式见考虑驱动器内阻的延时公式
-
准备阶段:
- 导线总电容 ( = ):
- 导线总电阻 ($R_{wire}$ = $rL$):
- 反相器驱动导线电容产生的延时:
- 导线自身的分布RC延时:
- 最终求和:
